Kratki LUCY 20 Tip Centrala

Preț

2.452,00 

Detalii tehnice:

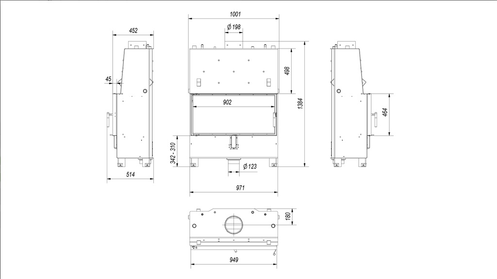
SCHITA TEHNICA

Descriere

Eficienta procesului de ardere, sticla mai curata si mentinerea temperaturii pentru un timp mai indelungat cu ajutorului captuselii de Accumote (samota) din interiorul camerei de ardere.

Sticla decorativa grafitata rezistenta la 800° C care ofera un aspect modern si elegant, largind vizual partea frontala a focarului.

Focarul este prevazut cu gratar si cenusar generos (sertar) amplasat in vatra pentru colectarea cenusei.

Termosemineul este echipat cu racord pentru admisie a aerului din exterior de fi 125mm.

Dotat cu serpentina de siguranta din cupru pentru protectie la supraincalzire (pene de curent, defectiuni pompa sau alte probleme) – intrare / iesire conector 1/2”.

Mai usor de montat multumita picioarelor reglabile

Etansari perfecte conform sudurilor solide realizate într-un ecran protector cu gaze nobile.

Incinta termosemineului cat si usa sunt fabricate din otel refractar de inalta calitate cu o compozitie ridicata de carbon pentru o rezistenta ridicata la temperaturi inalte si durabiliatate mare in timp.

Termosemineul este echipat cu schimbator de caldura in conul focarului compus din tuburi amplasate orizontal ce maresc suprafata de recuperare a caldurii, reducand temperatura gazelor de evacuare si crescand astfel eficienta si puterea dipozitivului in apa.

Regulator manual amplasat in partea inferioara pentru un control cat mai precis asupra procesului de ardere.

Depuneri de funingine reduse cu ajutorul sistemului de curatare a sticlei (perdea de aer).

– Otel refractar de inalta calitate cu o compozitie ridicata de carbon pentru o rezistenta ridicata la temperaturi inalte
– Captusala interioara TERMOTEC, material ce acumuleaza si ridica temperatura in interiorul focarului pentru o ardere mai eficienta
– sticla ceramica speciala care rezista fara probleme la temperaturi foarte ridicate
– sticla decorativa grafitata (contur negru) care ofera un aspect modern si elegant

– Se instaleaza in circuit inchis si necesita obligatoriu: – presiune maxima de lucru de 2 bar. – presiune maxima de incarcare la rece: 1-1.2 bar. – 2x supape de presiune instalate de max. 2,5 bar pe focar. – 2x aerisitoare pe focar. – supapa termica de 97 grade pe serpentina de racire – serpentina de racire se monteaza obligatoriu – vas de expansiune min. 10% din volumul de apa din instalatie. – vana de amestec (cu trei cai) sau bypass.
– Se instaleaza in circuit deschid si necesita obligatoriu: – vas expansiune deschis cu plutitor metalic.
– Se instaleaza in circuit deschid+inchis (cel mai sigur sistem) si necesita obligatoriu: – kit hidraulic cu pompe si schimbator in placi (vezi optiuni suplimentare) – vas expansiune deschis cu plutitor metalic.

– Prevazut cu tevi, in conul focarului, pentru recuperarea suplimentara a caldurii din gazele de evacuare.
– Cenusar pentru o curatare facila.
– Picioare reglabile pentru ajustare, pozitionare si fixare optima.
– Deflector pentru extinderea traseului fumului si imbunatatirea schimbului termic
– Dotat cu admisie din exterior si interior
– Dotat cu serpentina de siguranta, pentru racirea focarului in cazul supraincalzirii.

Termosemineu cu deschidere mare  ,randament crescut si autocuratare pe sticla. Rezervor de apa generos prevazut cu serpentina de siguranta, poate fi racordat la calorifere sau incalzire in pardoseala daca se monteaza un puffer si recomandam admisie aer din exterior.

– Primii 5 metri se recomanda sa nu fie din PPR sau material compozit.
– Puffer de acumulare, pentru un randament mai bun (se dimensioneaza individual dupa marimea locuintei)
– Racordarea tur/retur se face pe diagonala.
– Mentinerea diametrului de racordare de pe focar pana la primul distribuitor.
– Controler electronic pentru admisia de aer si pompe
– A nu se testa la presiuni mai mari de 2 bar.